浅谈WiFi无线会议系统的技术特点
无线会议系统采用了能在局域范围内无线传输信息的数字网络,在不改动原有设施的前提下,将会议信息准确、快速和安全地传送给与会者。
目前市场上主流的全数字无线会议系统由两种:一种是采用基于WiFi数字无线网络的WiFi会议系统,另一种是基于红外线来进行信号传输的红外无线会议系统。两种产品各自采用的技术不同,对应环境和适用场合都有特定的要求。对于红外无线会议系统与WiFi无线会议系统的比较如图1

综上所述,红外无线会议系统的工作原理是利用红外线来进行信号的传输。目前在无线会议系统中应用的红外线一般都是近红外线,它具有方向指向性传输、信号易受阻挡等缺陷,特别是遇到墙壁或其它障碍物信号便会丢失,因而在具体的工程应用时,如果要确保系统能高效运行,对会场环境、工程施工都有较严苛的要求。在产品应用的方案配置阶段,技术人员需要根据会场的使用面积和会场大致的几何外形,结合应用在会场的红外收发装置的发射功率来确定该会场要用到的红外收发装置的数量。在配置红外辐射板时,有些会场面积较大,几何图形复杂,存在红外辐射难以覆盖到的死角时,为了红外信号能覆盖整个会场,保证最后工程完工的使用效果,有时在同一会场甚至需要配置多达十几块的辐射板,这为后期的现场施工和设备调试带来了相当大的困难,任何一块辐射板的安装位置、安装角度都对整套系统的运行效果产生影响,同时也增加了整套设备的投资。以上配置仅仅是参照比较正常的使用情况,如果会场中间有很多柱子,那整个方案配置又显得更为复杂。应用红外无线系统在小型会场这些问题还相对容易解决,而当应用到面积较大的会议场合时,以上种种因素的考虑就显得极为重要。有时为了确保系统运行的最后效果,甚至连会场的装饰材料都需要考虑周详,如会场的墙体装饰不是很光滑或没有采用浅色的涂装材料,红外线的反射和折射就会大大衰减,影响最后的使用效果。其次由于红外线本身就是太阳光谱中的一种光谱,采用红外技术的无线会议系统一般都难以满足户外会场的使用,这也是现在市场上还没有一套红外系统在户外会场被采用的原因。显然,红外无线会议系统除了拥有无需布线的功能,依然存在着明显的缺陷。
市面上另一种主流的全数字无线会议系统WiFi无线会议系统又是一项什么样的技术呢?接下来给大家简单的介绍一下:
WiFi的定义:
WiFi(WireleSS Fidelity)其实就是IEEE802.11b的别称,是一个名为"无线以太网相容联盟"(Wireless Ethernet Compatibility Alliance, WECA)的组织发布的业界术语,中文译为"无线相容认证"。它是一种短途无线传输技术,能够在数百英尺内支持互联网接入的无线电信号,随着技术的发展,以及IEEE802.11a、IEEE802.11g等标准的出现,现在IEEE802.11已经被统称为WiFi。
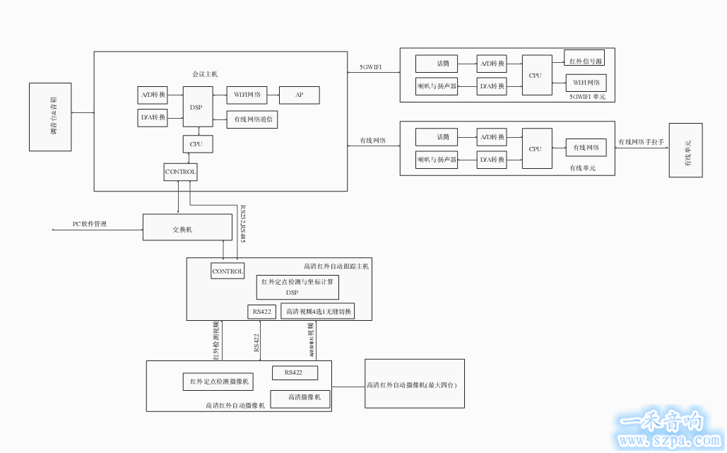
全数字WiFi无线会议系统的技术框架(如下图):

1、采用32 bit高速DSP(digital signal processing)浮点处理。支持声学反馈抑制、噪音消除、数字均衡处理。
如今,不仅是会议系统行业,在整一个音视频领域,其发展的趋势显而易见,均是朝着数字化,网络化的方向在演变。这一过程是由全球科技的发展水平所决定的。在专业会议系统方面,DSP数字信号处理技术的工作原理是将接收到的模拟信号转换为0或1的数字信号,再对数字信号进行修改、删除、强化,并在其他系统芯片中把数字数据解译回模拟数据或实际环境格式。它不仅具有可编程性,而且其实时运行速度可达每秒数以千万条复杂指令程序,远远超过通用微处理器,是数字化电子世界中日益重要的电脑芯片。它的强大数据处理能力和高运行速度,是最值得称道的两大特色。
2、采用带宽大、传输速度快的5GWiFi频段作为通讯方式。
WiFi技术的发展总共可以划分为一下五代:
第一代802.11,1997年制定,只运行于2.4GHz,最快2Mbit/s;
第二代802.11b,只运行于2.4GHz,最快11Mbit/s,正逐渐淘汰;
第三代802.11g/a,分别运行于2.4GHz和5GHz,最快54Mbit/s;
第四代802.11n,可运行于2.4GHz或5GHz,20和40MHz带宽下最快72和150Mbit/s;
第五代802.11ac,只运行于5GHz;
从WiFi技术的发展历程不难看出,WiFi技术发展至今,传输的速度倍数增长,带宽不断的加大,频段也由2.4GHz不断的演变成5GHz。而依赖WiFi技术作为传输媒介的会议系统,在实际的技术应用上分为两类,一类采用的WiFi频段是 2.4GHz,另一类是运行5GHz频段。
2.1、WiFi2.4GHz频段人满为患:
2.4GHz的WiFi技术在目前家庭中普及最广,是属于2.4GHz的ISM频段,即用于工业、科学、医疗领域的免费频段;这个频段的优势是不需付费,在室内环境中抗衰减能力强,但是Wi-Fi使用的2.4GHz频段中,在国内可以使用的有13个信道,但互相不干扰的信道只有3个,比如常用的1、6、11信道。信道1和信道6的WLAN信号是没有频率交叠的,但信道1和信道2的交叠部分很大,交叠部分就是两个信道的干扰部分,交叠部分越大,彼此干扰越强。如下图所示

而生活中的许多设备用的都是2.4GHz,比如蓝牙、遥控器、小功率微波通信等,干扰源很多,所以,很难保障足够的稳定性。当然,这种干扰在日常的生活工作中影响并不是非常的突出,但是对于专业领域却是非常致命的,比如采用WiFi通信媒介的数字会议系统。
鉴于2.4GHZ频段上述的种种局限性,国内各大会议系统的厂商也不断的在寻求技术上的突破,比如CREATOR快捷在全数字WiFi无线会议系统在设计上采用了更大带宽、干扰小的信息高速公路——5G WiFi。
2.2、5GHz多信道,大带宽保证会议可大规模、稳定运作。
5GHz包含了UNII的三个频段,从5.1~5.8GHz都有覆盖,目前全球最快的WiFi传输速度仅为300Mbps,相当于每秒只能传输约36MB的内容,而5GHz比起现有扩大了四倍带宽,带宽能提高到40MHz甚至80MHz或更高,传输速度最高提升到了1Gbps,每秒可以传输约125MB的内容,而且5GHz频段的信道更为宽阔,工作在5GHz频段的WiFi要比2.4GHz频段的要快上50%以上。更高的传输速度、更大的带宽。所以在保证传输速度的同时,会议音频在传输上采用了非压缩传真,48K采样率,带宽20Hz-20Kz的完美音质。
5GHz频段最大的优势是目前应用较少,很多国家都是需要申请许可的,值得一提的是,5GWiFi的信道是独立的,非公共频道,无线电干扰大为降低,信号品质有极大提升,确保了会议系统的稳定性。

3、在加密技术上,采用WAP2严谨周密的加密方式,对会议内容加密保护,增加会议安全品质,避免被窃听和恶意干扰。
WPA是无线应用协议(Wireless Application Protocol)的简称,是一种开放式的全球规范。有WPA和WPA2两个标准,是一种保护无线网络(WiFi)安全的系统。而两种加密标准相比较而言,WPA2是一套完整的标准,采用比TKIP更加高级的AES算法加密技术,AES是一个迭代的、对称密钥分组的密码,它可以使用128、192和256位密钥,并且用128位(16字节)分组加密和解密数据。与公共密钥密码使用密钥对不同,对称密钥密码使用相同的密钥加密和解密数据。通过分组密码返回的加密数据的位数与输入数据相同。迭代加密使用一个循环结构,在该循环中重复置换(permutations)和替换(substitutions)输入数据。"密钥生成功能"等4算法。相比之下,WPA2-PSK(AES)加密方式更加科学严谨、规范严密,所以为更好的保障会议的私密性,例如CREATOR快捷旗下的5GWiFi会议系统采用的就是WPA2-PSK(AES)加密方式。
4、WiFi无线会议系统研发上应着眼有线与无线的兼容技术。
有线会议系统因需要进行繁杂的布线工作、会破坏墙体、会议桌,改动会场原有设施并影响会场外观,而且传统有线会议系统固化僵硬,但有线会议系统具有性能稳定可靠、保密性强且不易受干扰的优点同样也是不可磨灭的。有线与无线会议系统并非不可共存的,这就需要再技术上实现兼容共通,舍弊取利。

5、市面上现有的摄像跟踪功能绝大多数是通过预置位跟踪技术实现的,这种跟踪技术实际的应用中比较僵直,完全不能WiFi无线会议单元可移动性要求,所以,在解决这方面问题上,如图所示,可配合高清自动摄像跟踪主机来实现自定摄像跟踪功能。

相关文章









